China Safety Science Journal ›› 2025, Vol. 35 ›› Issue (11): 32-41.doi: 10.16265/j.cnki.issn1003-3033.2025.11.0357
• Safety social science and safety management • Previous Articles Next Articles
Received:2025-06-07
Revised:2025-09-10
Online:2025-11-28
Published:2026-05-28
CLC Number:
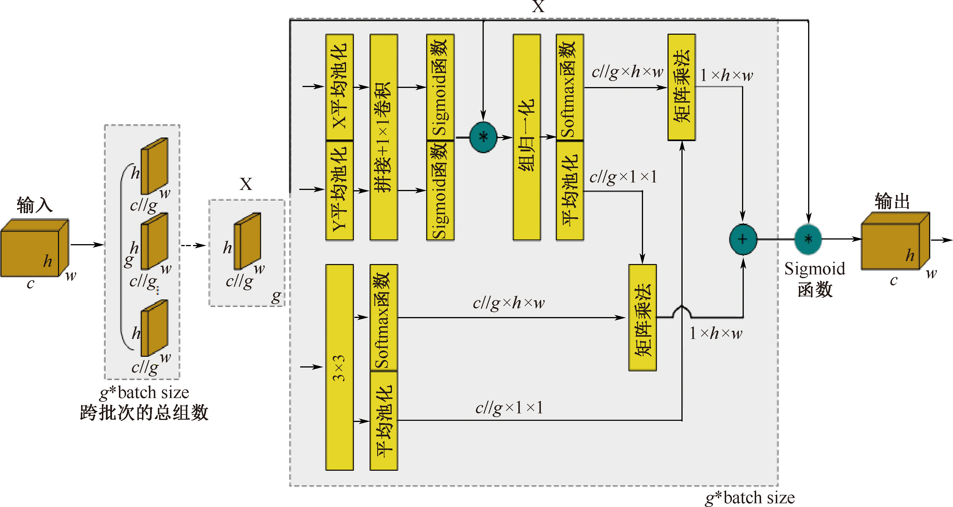
HAO Qinxia, ZHEN Haolong. Unsafe behavior recognition of miners in coal mine belt area based on multimodal feature fusion[J]. China Safety Science Journal, 2025, 35(11): 32-41.
Add to citation manager EndNote|Ris|BibTeX
URL: http://www.cssjj.com.cn/EN/10.16265/j.cnki.issn1003-3033.2025.11.0357
| [1] |
王露露, 尘兴邦, 袁嘉淙, 等. 职业心理学视域下矿工不安全行为研究综述[J]. 中国安全科学学报, 2023, 33(1):48-55.
doi: 10.16265/j.cnki.issn1003-3033.2023.01.0782 |
|
doi: 10.16265/j.cnki.issn1003-3033.2023.01.0782 |
|
| [2] |
王海军, 齐庆杰, 梁运涛, 等. 我国煤矿重特大事故统计分析及对策建议[J]. 中国安全科学学报, 2024, 34(9):9-18.
doi: 10.16265/j.cnki.issn1003-3033.2024.09.0208 |
|
doi: 10.16265/j.cnki.issn1003-3033.2024.09.0208 |
|
| [3] |
沈铭华, 马昆, 杨洋, 等. AI智能视频识别技术在煤矿智慧矿山中的应用[J]. 煤炭工程, 2023, 55(4):92-97.
doi: 10.11799/ce202304017 |
|
doi: 10.11799/ce202304017 |
|
| [4] |
doi: 10.1007/s00521-022-08185-2 |
| [5] |
|
| [6] |
doi: 10.1109/TCSVT.2022.3217763 |
| [7] |
doi: 10.1016/j.neucom.2020.05.118 |
| [8] |
|
| [9] |
李占利, 权锦成, 靳红梅. 基于3D-Attention与多尺度的矿井人员行为识别算法[J]. 国外电子测量技术, 2023, 42(7):95-104.
|
|
|
|
| [10] |
|
| [11] |
饶天荣, 潘涛, 徐会军. 基于交叉注意力机制的煤矿井下不安全行为识别[J]. 工矿自动化, 2022, 48(10): 48-54.
|
|
|
|
| [12] |
|
| [13] |
|
| [14] |
|
| [15] |
王宇, 于春华, 陈晓青, 等. 基于多模态特征融合的井下人员不安全行为识别[J]. 工矿自动化, 2023, 49(11): 138-144.
|
|
|
|
| [16] |
|
| [17] |
|
| [18] |
|
| [19] |
|
| [20] |
|
| [21] |
|
| [22] |
doi: 10.1016/j.neucom.2018.10.095 |
| [23] |
|
| [1] | MENG Guangxiong. Research on fire source visual recognition method based on multi-feature fusion [J]. China Safety Science Journal, 2025, 35(S1): 40-46. |
| [2] | TIAN Lulu, GENG Yanbing. Research and application of a coal slurry overflow detection method based on YOLOv8 [J]. China Safety Science Journal, 2025, 35(S1): 205-209. |
| [3] | AN Siqi, CAI Anglin, MA Zicheng, ZHU Baoyan. Multimodal large model-based approach for construction safety hazard recognition [J]. China Safety Science Journal, 2025, 35(9): 185-192. |
| [4] | WANG Haiquan, YU Haowei, YANG Yueyi, XU Xiaobin, BU Xiangzhou, KURKOVA P. Multimodal information fusion decision-making strategy for personnel behavior in industrial scene [J]. China Safety Science Journal, 2025, 35(8): 84-92. |
| [5] | KE Wei, ZHU Quanjie, CHEN Changmao, WU Chengyi, LIU Yan, ZHANG Yanlin. Classification and recognition of unsafe behaviors of tobacco warehouse personnel based on improved YOLOv11 [J]. China Safety Science Journal, 2025, 35(3): 36-44. |
| [6] | ZHOU Yinhui, DING Yong, WU Yulong, LI Denghua, GE Dalong. Research on multi-classification detection method of wall hollow drum based on Bayesian algorithm optimization and feature fusion [J]. China Safety Science Journal, 2025, 35(11): 131-138. |
| [7] | WANG Zhe, HUANG Haichen, LI Ruiqin, WEI Yongchang. Intelligent question answering model for construction safety hazards based on vision-language multimodality [J]. China Safety Science Journal, 2025, 35(10): 106-114. |
| [8] | HAO Qinxia, ZHANG Jiaqian. Identification model of miners' unsafe behaviors in coal mine conveyor belt [J]. China Safety Science Journal, 2025, 35(10): 98-105. |
| [9] | ZHAO Jiangping, WANG Xinran, WU Lizhou. Model of pavement pothole target detection with improved YOLOv5s [J]. China Safety Science Journal, 2025, 35(1): 67-74. |
| [10] | JIANG Yuanliang, REN Qingying, REN Yuan, LIU Haipeng, DONG Shaohua. High-consequence area indentation of remote sensing images of China-Myanmar oil and gas pipeline based on improved YOLO model [J]. China Safety Science Journal, 2025, 35(1): 103-111. |
| [11] | LI Gang, DU Yabo, YANG Qinghe, MAO Mengying, JIA Dongping. Obstacle detection on mining roads based on multi-scale feature fusion and attention mechanism [J]. China Safety Science Journal, 2024, 34(9): 87-98. |
| [12] | JIN Lianghai, WANG Shuqing, WANG Xinyu. Research on multimodal emotion characteristics based on short video of rainstorm disaster [J]. China Safety Science Journal, 2024, 34(7): 219-228. |
| [13] | JIA Guimin, CHENG Yu, QI Mengfei. Multi-scale attention feature-enhanced fusion of a new network for infrared small object detection [J]. China Safety Science Journal, 2024, 34(6): 90-98. |
| [14] | JIRI Gele, LIU Yao, SHANG Shuhong. Research on fault detection algorithm of rollers of coal conveyer belts [J]. China Safety Science Journal, 2023, 33(S2): 195-201. |
| [15] | JIA Shangfeng, WANG Zhiqiang, HAO Xinyu. Video detection algorithm based on small sample for foreign objects in conveyor belt [J]. China Safety Science Journal, 2023, 33(S1): 134-137. |
| Viewed | ||||||
|
Full text |
|
|||||
|
Abstract |
|
|||||
