China Safety Science Journal ›› 2025, Vol. 35 ›› Issue (9): 167-175.doi: 10.16265/j.cnki.issn1003-3033.2025.09.1402
• Safety engineering technology • Previous Articles Next Articles
Received:2025-04-03
Revised:2025-06-10
Online:2025-09-28
Published:2026-03-28
CLC Number:
QI Xin'ge, LIU Chang. Research on REA risk evolution by fusing complex network and causal inference[J]. China Safety Science Journal, 2025, 35(9): 167-175.
Add to citation manager EndNote|Ris|BibTeX
URL: http://www.cssjj.com.cn/EN/10.16265/j.cnki.issn1003-3033.2025.09.1402
Table 1
Associative rule collections
| 前项 | 后项 | 支持度 | 置信度 | 提升度 |
|---|---|---|---|---|
| B2 | A1 | 18.75 | 1 | 2.32 |
| B2 | D1.1 | 18.75 | 1 | 1.48 |
| E1, A1 | D1.1 | 18.75 | 1 | 1.48 |
| B4, A1 | B1 | 18.75 | 1 | 5.45 |
| D1.2, B2 | A1 | 18.75 | 1 | 2.02 |
| ︙ | ︙ | ︙ | ︙ | ︙ |
| B4 | D1.1 | 45.05 | 0.85 | 2.12 |
| D1.1, C3 | A1 | 45.70 | 0.83 | 1.53 |
| C1.1, C3, A1 | D1.2 | 40.87 | 0.83 | 2.06 |
| D3, C3 | C1.1 | 36.70 | 0.80 | 4.15 |
| B1, D2, A1 | D1.1, B2 | 27.52 | 0.75 | 1.96 |
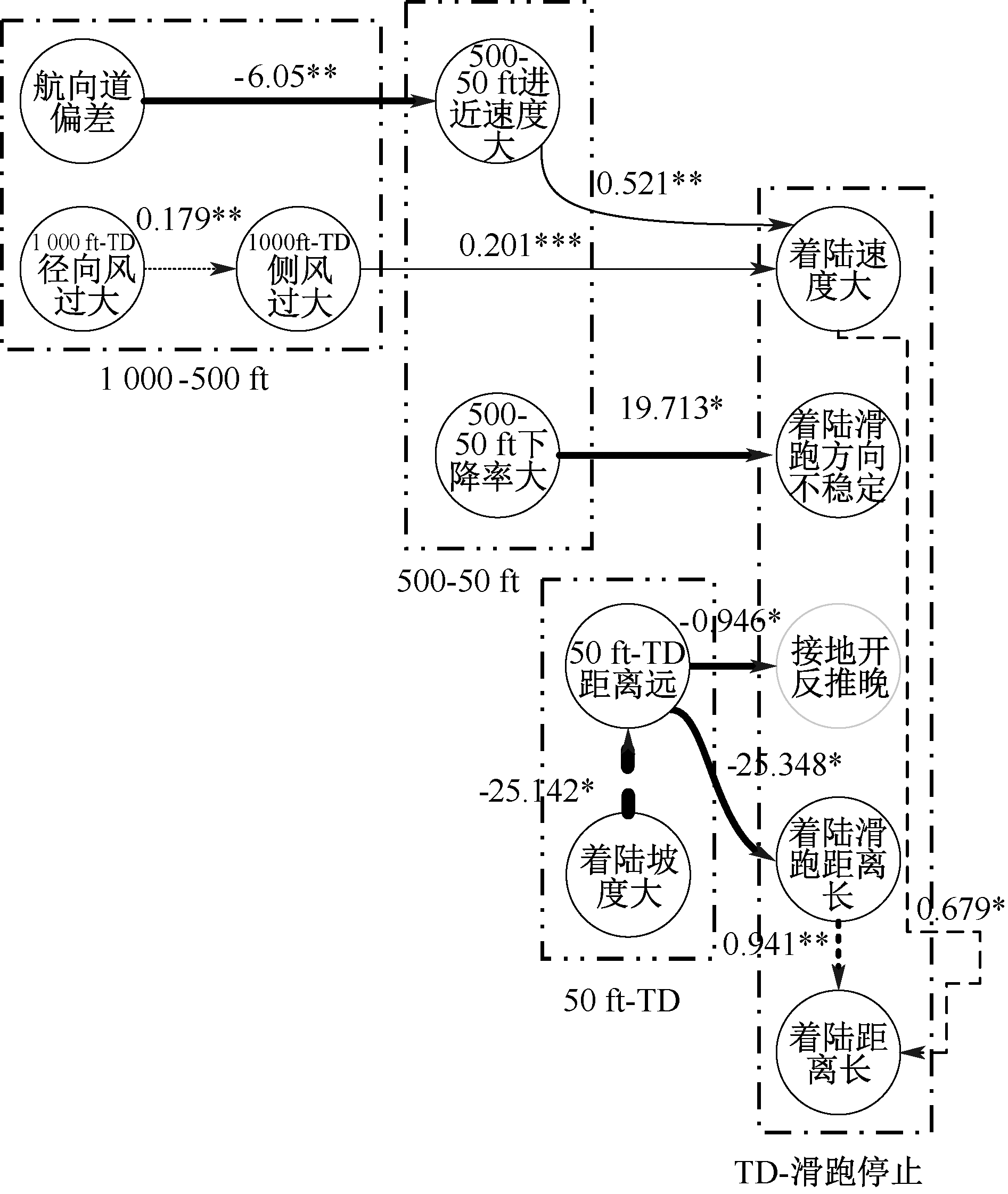
Table 3
Causal graph model node-FOQA
| 因果图 节点 | 轻度超 限阈值 | 轻度 超限 次数 | 严重超 限阈值 | 严重 超限 次数 |
|---|---|---|---|---|
| 500-50 ft 下降率大 | >1 100 ft/min | 21 | >1 300 ft/min | 0 |
| 50 ft-TD距 离远 | >750 m | 175 | >900 m | 2 |
| 着陆俯仰 角大 | >7.3° | 4 | >7.4° | 1 |
| 着陆俯仰 角小 | <1° | 94 | <0.5° | 50 |
| 着陆滚转 角大 | >4° | 60 | >6° | 4 |
| 着陆滑跑方 向不稳定 | >3°(偏离 跑道方向) | 10 | >5° | 4 |
| 着陆速 度大 | >(VREF+ 15) kn | 173 | >(VREF+ 20) kn | 35 |
| 1 000航向 道偏差 | >1° | 46 | >1.5° | 0 |
| 进近速 度大 | >(VREF+ 25) kn | 18 | >(VREF+ 30) kn | 5 |
| [1] |
United States Department of Transportation. Runway safety areas(RSAs):FAA-2022[R], 2022.
|
| [2] |
International Civil Aviation Organization. Safety report: ICAO-2022[R], 2022.
|
| [3] |
World Air Transport Summit. Annual safety review 2022: IATA-2023[R], 2023.
|
| [4] |
齐心歌, 毕晟, 张楠, 等. 冲偏出跑道事件风险影响指标分析[J]. 航空工程进展, 2024, 15(1):61-68.
|
|
|
|
| [5] |
王菲茵, 袁锦彤, 汪磊. 典型机型冲偏出跑道事故耦合故障模式及风险建模[J]. 交通信息与安全, 2023, 41(6):42-50.
|
|
|
|
| [6] |
王洁宁, 张聪俊. 飞机冲偏出跑道人为差错量化分析模型[J]. 安全与环境学报, 2019, 19(1):106-113.
|
|
|
|
| [7] |
赵宁宁, 赵宇婷. 基于事故树和贝叶斯网络的飞机偏冲出跑道风险分析[J]. 安全与环境学报, 2014, 14(3):141-145.
|
|
|
|
| [8] |
|
| [9] |
|
| [10] |
李红霞, 徐浩冉, 田水承. 基于随机森林的矿工不安全行为预测预警模型[J]. 中国安全科学学报, 2022, 32(12):10-18.
doi: 10.16265/j.cnki.issn1003-3033.2022.12.2752 |
|
doi: 10.16265/j.cnki.issn1003-3033.2022.12.2752 |
|
| [11] |
乔卫亮, 邓婉怡, 马晓雪, 等. 复杂网络下船舶碰撞风险传播演化分析[J]. 中国安全科学学报, 2024, 34(5):101-110.
doi: 10.16265/j.cnki.issn1003-3033.2024.05.0684 |
|
doi: 10.16265/j.cnki.issn1003-3033.2024.05.0684 |
|
| [12] |
陈志伟, 张罗庚, 方晓彤, 等. 装备体系可靠性概念、建模与预计方法研究[J]. 系统工程与电子技术, 2024, 46(6):1975-1985.
doi: 10.12305/j.issn.1001-506X.2024.06.15 |
|
doi: 10.12305/j.issn.1001-506X.2024.06.15 |
|
| [13] |
|
| [14] |
陈长坤, 王思琪, 孙凤琳, 等. 城市关联基础设施多层网络韧性评估模型[J]. 中国安全科学学报, 2024, 34(5):204-213.
doi: 10.16265/j.cnki.issn1003-3033.2024.05.1355 |
|
doi: 10.16265/j.cnki.issn1003-3033.2024.05.1355 |
|
| [15] |
|
| [16] |
陈超洋, 周勇, 池明, 等. 基于复杂网络理论的大电网脆弱性研究综述[J]. 控制与决策, 2022, 37(4):782-798.
|
|
|
|
| [17] |
|
| [18] |
AC-121/135-FS-2012-45R1,飞行品质监控实施与管理[Z].
|
| [19] |
方砚兵, 封坤, 李博, 等. 基于Bootstrap-AIC的隧道围岩参数不确定性表征与最小样本数研究[J]. 中国公路学报, 2024, 37(11):26-37.
doi: 10.19721/j.cnki.1001-7372.2024.11.002 |
|
doi: 10.19721/j.cnki.1001-7372.2024.11.002 |
| [1] | JIANG Zhengrui, ZHENG Xiaojun, CHEN Wang, TONG Xiaoying. Analysis of topological characteristics and vulnerability of Chinese national highways based on complex network [J]. China Safety Science Journal, 2025, 35(6): 120-127. |
| [2] | ZHU Tong, LI Wei, ZHAO Yunfei, LI Xiaohu, WANG Peng. Causal inference of effect of motor-vehicle driver's avoidance action on cyclists' injury [J]. China Safety Science Journal, 2025, 35(6): 27-36. |
| [3] | MA Liqiang, ZHAO Ang, ZHENG Binbin. Research on influencing factors of rainstorm waterlogging resilience at rail transit stations based on complex network [J]. China Safety Science Journal, 2025, 35(6): 142-147. |
| [4] | LI Shifeng, SHANG Yu. Research on risk conduction chain of urban lifeline Natech event based on CN-SD [J]. China Safety Science Journal, 2025, 35(6): 200-208. |
| [5] | HE Yunyong, HE Enhuai, CHEN Zhiyu, GAO Jianping, ZHANG Le, SUN Lu. Key node recognition of highway network in high altitude mountainous area based on improved LeaderRank algorithm [J]. China Safety Science Journal, 2025, 35(5): 229-236. |
| [6] | ZENG Dalin, XIAO Fangzheng, JIANG Zhichao, ZHANG Haiyang. Data-driven correlation analysis and early warning strategy for potential safety hazards in construction [J]. China Safety Science Journal, 2025, 35(5): 56-63. |
| [7] | TIAN Jiexin, HE Yu, QIN Zhaohui. Simulation of cluster supply chain network recovery strategy under external risk shock [J]. China Safety Science Journal, 2025, 35(4): 120-126. |
| [8] | MA Lianjing, XIAO Haibo, ZHAO Baofeng, JIANG Song, LIU Di, WANG Song. Analysis of complex network of causes of water disasters in coal mines [J]. China Safety Science Journal, 2025, 35(4): 35-42. |
| [9] | SHI Tongyu, MA Yusen, CAO Yujie, FU Yuxiang, WANG Yantao. SPO risk evolution based on improved functional resonance analysis method [J]. China Safety Science Journal, 2024, 34(6): 29-38. |
| [10] | QIAO Weiliang, DENG Wanyi, MA Xiaoxue, HAN Bing. Evolutionary analysis of ship collision risk propagation under a complex network [J]. China Safety Science Journal, 2024, 34(5): 101-110. |
| [11] | LI Zhuo, HE Ruichun, LI Wenxia. Robustness evaluation for high-speed railway network with spatiotemporal dynamic characteristics [J]. China Safety Science Journal, 2024, 34(4): 111-120. |
| [12] | YUAN Leping, GU Zekun, LI Dongqi. Risk evolution analysis of eVTOL operation in UAM ecosystem based on complex networks [J]. China Safety Science Journal, 2024, 34(3): 192-199. |
| [13] | SHEN Ling, TANG Lingyi, LIAO Jie. Operational safety resilience measure for public transportation equipment and facility systems based on CN-FRAM [J]. China Safety Science Journal, 2024, 34(3): 45-54. |
| [14] | LI Hua, MI Xinyi, WU Lizhou. Analysis of information transmission characteristics of large-scale sports event organizations: taking "5·22" cross-country race accident in Gansu Baiyin as an example [J]. China Safety Science Journal, 2024, 34(10): 183-189. |
| [15] | WANG Haiying, CHU Lin, XU Jian. Construction safety risk analysis of bridge girder-erecting machine based on complex network integrating N-K model [J]. China Safety Science Journal, 2023, 33(9): 10-17. |
| Viewed | ||||||
|
Full text |
|
|||||
|
Abstract |
|
|||||
